Kabelkapazitäten verändern in Verbindung mit dem jeweiligen Eingangs- bzw. Ausgangswiderstand des verbundenen Gerätes die resultierende Übertragungsbandbreite.
Bei modernen Audioverbindungen wird in der Regel Spannungsanpassung verwendet, d.h. die Ausgangsimpedanzen der Geräte sollten theoretisch möglichst klein und die Eingangsimpedanzen möglichst groß sein. Aus Gründen der Störeinstrahlungssicherheit wird man die Eingangsimpedanz nicht beliebig groß und aus Kosten- und anderen technischen (Schwingneigung) Gründen die Ausgangsimpedanz nicht beliebig klein machen können.
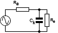
Hier bestimmt der Wert der Ausgangsimpedanz des Vorverstärkers in Verbindung mit der Kabelkapazität die erzielbare Bandbreite.
Bei ältereren Verbindungen wie DIN und auch bei einigen Röhrenkombinationen sind die Ausgangsimpedanzen der Vorverstärker sehr hoch. Hier sind die Werte der Eingangsimpedanz der Endstufe maßgeblich. Daher muß auch hier die Kapazität des Verbindungskabels im Auge behalten werden, da sonst u.U. die Bandbreite begrenzt werden kann.
Die Werte für die resultierende Grenzfrequenz (-3dB) errechnet sich wie folgt:
| fg = 1/(2 × π × Ra × Ck) |
mit
fg = Grenzfrequenz [Hz]
Re = Eingangswiderstand Endstufe [Ω]
Ra = Ausgangswiderstand Vorstufe [Ω]
π= Kreiszahl = 3.1415927
Ck = Kabelkapazität [F]
Nachfolgend ein paar Werte für DIN und Röhrenkombinationen oder Vorverstärker mit hoher Ausgangsimpedanz:
Ra / fg |
20 kHz |
50 kHz |
100 kHz |
200 kHz |
|---|---|---|---|---|
| 5 kΩ | 1.6 nF | 637 pF | 318 pF | 159 pF |
| 10 kΩ | 795 pF | 318 pF | 159 pF | 80 pF |
| 20 kΩ | 397 pF | 159 pF | 80 pF | 40 pF |
| 30 kΩ | 265 pF | 106 pF | 53 pF | 27 pF |
| 50 kΩ | 159 pF | 64 pF | 32 pF | 16 pF |
| 100 kΩ | 80 pF | 32 pF | 16 pF | 8 pF |
Nachfolgend ein paar Werte für CINCH und XLR, bzw. Vorverstärker mit niedriger Ausgangsimpedanz:
Ra / fg |
20 kHz |
50 kHz |
100 kHz |
200 kHz |
|---|---|---|---|---|
| 2 Ω | 4.0 µF | 2.0 µF | 796 nF | 398 nF |
| 10 Ω | 796 nF | 318 nF | 159 nF | 80 nF |
| 20 Ω | 398 nF | 159 nF | 80 nF | 40 nF |
| 50 Ω | 159 nF | 64 nF | 32 nF | 16 nF |
| 100 Ω | 80 nF | 32 nF | 16 nF | 8 nF |
| 1000 Ω | 8 nF | 3.2 nF | 1.6 nF | 796 pF |
Aus obenstehender Tabelle ist leicht ersichtlich, daß bei modernen Verstärkerkonstruktionen mit Ausgangsimpedanzen unter 100 Ohm die Leitungskapazität selbst bei größeren (wohnraumüblichen) Längen und hochkapazitiven Leitungen keine Rolle mehr spielt.
Das TMR RAMSES NF erlaubt bei einer Ausgangsimpedanz der Quelle von 100 Ohm und drei Metern Länge eine Grenzfrequenz von ca. 530 kHz.